|
|
|
|
|
|
|
|
BS5154/BS1010
 
PDF Catalog Download (3826KB)
Gate Valves
Loose Jumper Stop Valves
Globe Valves
Check Valves
Ball Valves
WSD Approval
              Last Page
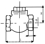
Gunmetal-Bronze Check Valves
(WCV-701T)

WEALTHMARK check valves (WCV-701T Series) are manufactured in accordance with BS5154 and have a nominal working pressure of 16 bar. All check valves are suitable for hot and cold water, oil, gas and saturated steam at low pressure.

The materials for the check valves comply to BS1400 grade "DCB3" brass = BS EN1982 grade "CC754S", size 15mm to 50mm, the check valve body is manufactured by forge method, size 65mm and above, by casting method. All threads are complied to BS21.

 
 
SIZE
1/2"
15mm
3/4"
20mm
1"
25mm
1.1/4"
35mm
1.1/2"
40mm
2"
50mm
2.1/2"
65mm
3"
80mm
4"
100mm
d
12.7
19
25
30
36
46
65
80
100
L
50
60
74
84
94
114
146
165
192
H
35
40
47
53
60
70
86
102
122
     
     
 
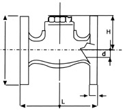
Copper Alloy Check Valves
(WCV-701F)

WEALTHMARK flanged check valve (WCV-701F Series) are manufactured in accordance with BS5154 and have a nominal working pressure of 16 bar. All check valves are suitable for hot and cold water, oil, gas and saturated steam at low pressure.

The materials for the check valves comply to BS1400 grade "DCB3" brass = BS EN1982 grade "CC754S", the check valve body is manufactured by casting method. All flanges are complied to BS4504 PN16.

 
 
SIZE
2"
50mm
2.1/2"
65mm
3"
80mm
4"
100mm
5"
125mm
6"
150mm
d
50
65
80
100
125
150
L
146
164
182
212
300
350
H
86
94
109
125
146
180
     
 
 
              Last Page
Copyright © 2006 wmark.com.hk - All rights reserved.