|
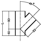
| 45° Single Branch |
PRODUCT REFERENCE
|
DIA.
mm |
X1
mm |
X2
mm |
X3
mm |
L
mm |
WEIGHT
KG/PIECE |
WEMA10400 |
40x40 |
45 |
115 |
115 |
160 |
1.0 |
WEMA10410 |
50x40 |
45 |
115 |
115 |
160 |
1.1 |
WEMA10411 |
50x50 |
45 |
115 |
115 |
160 |
1.2 |
WEMA10423 |
75x50 |
50 |
140 |
140 |
190 |
1.8 |
WEMA10424 |
75x75 |
65 |
160 |
160 |
225 |
2.4 |
WEMA10431 |
100x50 |
30 |
150 |
150 |
180 |
2.3 |
WEMA10434 |
100x75 |
55 |
175 |
175 |
230 |
3.5 |
WEMA10433 |
100x100 |
70 |
190 |
190 |
260 |
3.8 |
WEMA10452 |
100x75 |
30 |
215 |
215 |
245 |
5.9 |
WEMA10453 |
150x100 |
55 |
225 |
225 |
280 |
6.5 |
WEMA10455 |
150x150 |
90 |
265 |
265 |
355 |
9.2 |
WEMA10463 |
200x100 |
40 |
260 |
260 |
300 |
9.8 |
WEMA10465 |
200x150 |
75 |
300 |
300 |
375 |
13.3 |
WEMA10466 |
200x200 |
115 |
340 |
340 |
455 |
17.3 |
WEMA10475 |
250x150 |
55 |
350 |
350 |
405 |
20.2 |
WEMA10476 |
250x200 |
90 |
380 |
380 |
470 |
24.8 |
WEMA10477 |
250x250 |
60 |
488 |
500 |
560 |
28.5 |
WEMA10485 |
300x150 |
35 |
380 |
380 |
415 |
26.9 |
WEMA10486 |
300x200 |
70 |
415 |
440 |
510 |
34.0 |
WEMA10487 |
300x250 |
115 |
465 |
465 |
580 |
42.1 |
WEMA10488 |
300x300 |
95 |
580 |
565 |
660 |
48.4 |
|
| |
|
|
| |
|
|
|

|
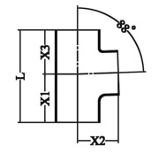
| 88° Single Branch |
PRODUCT REFERENCE
|
DIA.
mm |
X1
mm |
X2
mm |
X3
mm |
L
mm |
WEIGHT
KG/PIECE |
WEMA10601 |
40x40 |
75 |
80 |
65 |
140 |
0.8 |
WEMA10611 |
50x50 |
79 |
80 |
66 |
145 |
0.9 |
WEMA10623 |
75x50 |
95 |
90 |
85 |
180 |
1.6 |
WEMA10624 |
75x75 |
95 |
95 |
85 |
180 |
1.9 |
WEMA10631 |
100x50 |
94 |
105 |
76 |
170 |
2.1 |
WEMA10634 |
100x75 |
105 |
110 |
85 |
190 |
2.6 |
WEMA10633 |
100x100 |
115 |
117 |
100 |
220 |
2.9 |
WEMA10652 |
100x75 |
116 |
142 |
106 |
223 |
5.1 |
WEMA10653 |
150x100 |
130 |
145 |
115 |
245 |
5.5 |
WEMA10655 |
150x150 |
158 |
157 |
142 |
300 |
6.9 |
WEMA10663 |
200x100 |
165 |
165 |
160 |
325 |
7.5 |
WEMA10665 |
200x150 |
170 |
175 |
176 |
346 |
8.8 |
WEMA10666 |
200x200 |
180 |
180 |
184 |
364 |
10.8 |
WEMA10677 |
250x250 |
225 |
225 |
230 |
455 |
19.8 |
WEMA10688 |
300x300 |
265 |
265 |
271 |
536 |
32.0 |
|
| |
|
|
| |
|
|
|

|
| 88° Single Branch with Access Door |
PRODUCT REFERENCE
|
DIA.
mm |
X1
mm |
X2
mm |
X3
mm |
L
mm |
WEIGHT
KG/PIECE |
WEMA12633 |
100x100 |
168 |
150 |
102 |
270 |
5.3 |
WEMA12655 |
150x150 |
206 |
190 |
142 |
348 |
13.8 |
|
| |
|
|
| |
|
|
|

|
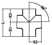
| 88° Double Branch |
PRODUCT REFERENCE
|
DIA.
mm |
X1
mm |
X2
mm |
X3
mm |
L
mm |
WEIGHT
KG/PIECE |
WEMA15633 |
100x100 |
115 |
115 |
105 |
220 |
3.2 |
WEMA15653 |
150x100 |
134 |
155 |
140 |
274 |
7.1 |
WEMA15655 |
150x150 |
158 |
155 |
142 |
300 |
7.9 |
|
| |
|
|
| |
|
|
|

|
| 88° Corner Branch |
PRODUCT REFERENCE
|
DIA.
mm |
X1
mm |
X2
mm |
X3
mm |
L
mm |
WEIGHT
KG/PIECE |
WEMA17633 |
100x100 |
115 |
115 |
105 |
220 |
3.1 |
WEMA17655 |
150x100 |
158 |
155 |
142 |
300 |
7.9 |
|
| |
|
|
| |
|
|
|

|
| Short Pipe with Access Door |
PRODUCT REFERENCE
|
DIA.
mm |
X1
mm |
X2
mm |
L
mm |
WEIGHT
KG/PIECE |
WEMA43010 |
50 |
75 |
170 |
245 |
1.9 |
WEMA43025 |
75 |
110 |
210 |
220 |
3.1 |
WEMA43030 |
100 |
100 |
200 |
300 |
4.7 |
WEMA43050 |
150 |
125 |
225 |
350 |
8.7 |
WEMA43060 |
200 |
232 |
232 |
464 |
22.0 |
WEMA43070 |
250 |
270 |
270 |
540 |
36.5 |
WEMA43080 |
300 |
305 |
305 |
610 |
51.0 |
|
| |
|
|
|

|
|