| CISPI 301/ASTM A-888 |
|
No Hub Pipe |
|
Quarter Bend |
|
Quarter Bend, With Side Opening |
|
Quarter Bend, With Heel Opening |
|
Quarter Bend, Tapped |
|
Quarter Bend, Double |
|
Short Sweep |
|
Long Sweep |
|
Fifth Bend |
|
Sixth Bend |
|
Eighth Bend |
|
Eighth Bend Long |
|
Sixteenth Bend |
|
Sanitary Tee |
|
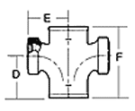
Sanitary Special Tee Tapped |
|
Y Branch |
|
Y Branch, Double |
|
Y Branch, Upright |
|
Y Branch, Combination 1/8 Bend |
|
Y Branch, Combination 1/8 Bend Double |
|
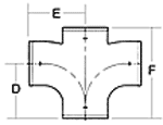
Sanitary Cross |
|
Sanitary Cross, Tapped |
|
Test Tee |
|
Increased-Reducer, Short |
|
Blind Plug |
|
Iron Body Cleanout-Tapped |
|
P Trap |
|
P Trap, Deep Seal |
|
P Trap, With Primer |
|
P Trap, With Tapped Inlet |
|
Running Trap |
|
Figure 1A |
|
Figure 5 |
|
Closet Bend, Regular and Reducing |
|
S.S. Coupling |
|
|
|
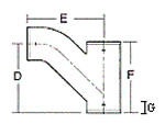
| Y Branch, Combination 1/8 Bend |
CODE
|
SIZE
inch |
D
inch |
E
inch |
F
inch |
G
inch
|
WEIGHT
LB/PIECE |
1694 |
1.1/2 |
4.3/4 |
5.3/8 |
6 |
2 |
2 |
1696 |
2x1.1/2 |
5 |
5.7/8 |
6 |
2 |
3 |
1698 |
2 |
5.3/8 |
6.1/8 |
6.5/8 |
2 |
4 |
1700 |
3x2 |
5.1/2 |
6.3/4 |
6.5/8 |
1.1/2 |
6 |
1702 |
3 |
7.5/16 |
8 |
8 |
2.1/4 |
7 |
1704 |
4x2 |
5.1/2 |
7.1/4 |
6.5/8 |
1 |
7 |
1706 |
4x3 |
7.1/4 |
8.1/2 |
8 |
1.11/16 |
8 |
1708 |
4 |
9.1/4 |
10 |
9.1/2 |
2.7/16 |
15 |
1710 |
5x2 |
5.15/16 |
7.3/4 |
8.1/16 |
15/16 |
9 |
1712 |
5x3 |
7.3/4 |
9 |
9.11/16 |
1.11/16 |
11 |
1714 |
5x4 |
9.3/4 |
10.1/2 |
11.3/16 |
2.7/16 |
17 |
1716 |
5 |
11.3/4 |
12.1/2 |
12.5/8 |
3.1/8 |
23 |
1718 |
6x2 |
6 |
8.1/4 |
8.5/16 |
1/2 |
9 |
1720 |
6x3 |
7.13/16 |
9.1/2 |
9.3/4 |
1.1/4 |
12 |
1722 |
6x4 |
9.3/4 |
11 |
11.3/16 |
1.15/16 |
17 |
1724 |
6x5 |
11.11/16 |
13 |
12.1/2 |
2.9/16 |
23 |
1726 |
6 |
13.5/8 |
14.3/8 |
14.1/16 |
3.5/16 |
33 |
1728 |
8x4 |
9.7/16 |
11.5/16 |
11.3/16 |
7/8 |
26 |
1732 |
8x6 |
12 |
13.3/8 |
13.15/16 |
2.1/4 |
38 |
1734 |
8 |
14.3/4 |
15.9/16 |
16.15/16 |
3.3/4 |
54 |
|
| |
|
|
| |
|
|
|

|
| Y Branch, Combination 1/8 Bend Double |
CODE
|
SIZE
inch |
D
inch |
E
inch |
F
inch |
G
inch
|
WEIGHT
LB/PIECE |
1802 |
2 |
5.3/8 |
6.1/8 |
6.5/8 |
2 |
6 |
1804 |
3x2 |
5.1/2 |
6.3/4 |
6.5/8 |
1.1/2 |
6 |
1806 |
3 |
7.5/16 |
8 |
8 |
2.1/4 |
12 |
1808 |
4x2 |
5.1/2 |
7.1/4 |
6.5/8 |
1 |
8 |
1810 |
4x3 |
7.1/4 |
8.1/2 |
8 |
1.11/16 |
12 |
1812 |
4 |
9.1/4 |
10 |
9.1/2 |
2.7/16 |
20 |
|
| |
|
|
| |
|
|
|

|
| Sanitary Cross |
CODE
|
SIZE
inch |
D
inch |
E
inch |
F
inch |
WEIGHT
LB/PIECE |
1850 |
1.1/2 |
4.1/4 |
4.1/4 |
6.1/2 |
3 |
1852 |
2 |
4.1/2 |
4.1/2 |
6.7/8 |
4 |
1854 |
3x2 |
4.1/2 |
5 |
6.7/8 |
5 |
1856 |
3 |
5 |
5 |
8 |
7 |
1858 |
4x2 |
4.1/2 |
5.1/2 |
6.7/8 |
7 |
1860 |
4x3 |
5 |
5.1/2 |
8 |
8 |
1862 |
4 |
5.1/2 |
5.1/2 |
9.1/8 |
10 |
1864 |
6x4 |
6 |
6.1/2 |
10.1/16 |
13 |
|
| |
|
|
| |
|
|
|

|
| Sanitary Cross, Tapped |
CODE
|
SIZE
inch |
D
inch |
E
inch |
F
inch
|
WEIGHT
LB/PIECE |
2016 |
2x1.1/2 |
3.1/4 |
2.13/16 |
5.11/16 |
4 |
2018 |
2x2 |
3.3/4 |
3.1/16 |
6.3/8 |
4 |
2024 |
3x2 |
3.3/4 |
3.9/16 |
6.3/8 |
5 |
2030 |
4x2 |
3.3/4 |
4.1/16 |
6.3/8 |
7 |
|
| |
|
|
| |
|
|
|

|
| Test Tee |
CODE
|
SIZE
inch |
E
inch |
F
inch |
D
inch
|
WEIGHT
LB/PIECE |
2046 |
2 |
2 |
6.3/8 |
3.3/16 |
2 |
2048 |
3 |
2.11/16 |
7.3/4 |
3.7/8 |
5 |
2050 |
4 |
3 |
8.7/8 |
4.7/16 |
8 |
8278 |
4 |
3 |
8.7/8 |
4.7/16 |
8 |
2052 |
5 |
4.1/2 |
11.1/2 |
5.3/4 |
19 |
2054 |
6 |
5 |
12.1/2 |
6.1/4 |
24 |
2056 |
8 |
6 |
15.1/4 |
7.5/8 |
36 |
|
| |
|
|
| |
|
|
|

|
| Increased-Reducer, Short |
CODE
|
SIZE
inch |
F
inch |
WEIGHT
LB/PIECE |
2138 |
2x1.1/2 |
3.5/8 |
1 |
2140 |
3x2 |
3.5/8 |
1 |
2142 |
4x2 |
3.5/8 |
2 |
2144 |
4x3 |
3.5/8 |
2 |
2148 |
5x3 |
4 |
4 |
2150 |
5x4 |
4 |
4 |
2152 |
6x2 |
4 |
4 |
2154 |
6x3 |
4 |
4 |
2156 |
6x4 |
4 |
4 |
2158 |
6x5 |
4.1/2 |
5 |
2160 |
8x2 |
4.1/2 |
8 |
2162 |
8x3 |
4.1/2 |
8 |
2164 |
8x4 |
4.1/2 |
7 |
2166 |
8x5 |
5 |
8 |
2168 |
8x6 |
5 |
8 |
2172 |
10x4 |
5.1/2 |
14 |
2174 |
10x6 |
6 |
15 |
2175 |
10x8 |
6 |
14 |
2176 |
12x4 |
6.1/2 |
20 |
2177 |
12x6 |
6.1/2 |
20 |
2178 |
12x8 |
7 |
21 |
2179 |
12x10 |
7.1/2 |
25 |
2180 |
15x4 |
7 |
32 |
2181 |
15x6 |
7 |
35 |
2182 |
15x8 |
7 |
34 |
2183 |
15x10 |
7.1/2 |
39 |
2184 |
15x12 |
7.3/4 |
36 |
|
| |
|
|
| |
|
|
|

|
|
|